推荐产品
联系我们
维多利亚vic008
电话:0755-23087599
手机:13808858392
邮箱:dunianhua@leweitech.com
地址:深圳市宝安区西乡鹤洲恒丰工业城B11栋5楼东
PN8326产品描述:
PN8326包括高精度的恒流原边控制器及功率MOSFET,专用于高可靠、隔离双绕组、极精简外围元器件的中小功率LED照明。该芯片工作在原边调整模式,可省略光耦、TL431;采用了快速DMOS自供电的专利技术可节省变压器辅助绕组和高压启动电阻。该芯片提供了极为全面的自恢复保护功能,包含逐周期过流保护、开环保护、过温保护、Rcs开/短路保护和LED开/短路保护等。内置高压启动电路和极低的芯片功耗有助于获取较高的工作效率。在恒流模式下,电流和输出功率可通过CS脚的Rs电阻进行调节。
PN8326产品特点:
■ 内置700V高雪崩能力的功率MOSFET
■ 内置高压软启动电路可节省外部启动电阻
■ 原边反馈和调节技术可节省光耦和TL431
■ 快速自供电专利技术无需变压器辅助绕组
■ 专利的内置线电压补偿电路
■ ±3% LED恒流精度
■ 恒流输出值可调
■ 0.5%线电压补偿精度
■ 内置原边电感量补偿电路
■ 优异全面的保护功能
过温保护 (OTP)
逐周期过流保护 (OCP)
LED开/短路保护
专利的CS电阻开/短路保护
安全自动恢复模式
PN8326封装/ 订购信息:
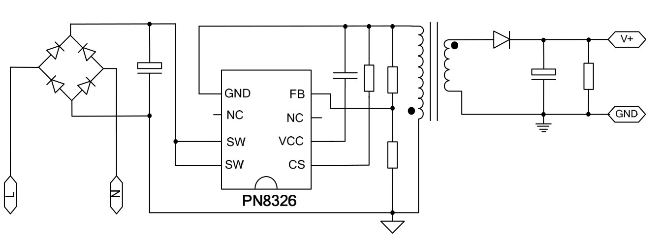
PN8326典型应用图:
关注骊微
收藏骊微










