推荐产品
联系我们
维多利亚vic008
电话:0755-23087599
手机:13808858392
邮箱:dunianhua@leweitech.com
地址:深圳市宝安区西乡鹤洲恒丰工业城B11栋5楼东
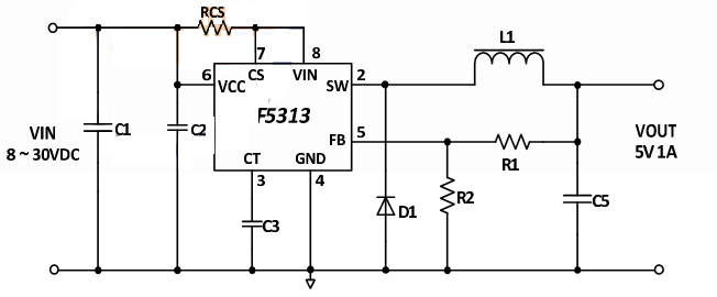
F5313产品特点:
1. 电路简单,产品体积小
2. 芯片价格超低,产品总成本超低
3. 输出电流超过1A,输入电压8-36V
4. 芯片采购ESOP-8封装,过温保护等功能
6. 无需加共模电感等通过CEFCCEMI等认证
7. 可以做单面板,布板简单
典型应用图

典型应用图

关注骊微
收藏骊微










