推荐产品
联系我们
维多利亚vic008
电话:0755-23087599
手机:13808858392
邮箱:dunianhua@leweitech.com
地址:深圳市宝安区西乡鹤洲恒丰工业城B11栋5楼东
AP2952A 2A 18V 同步整流降压转换器
所属分类:138足彩吧
品牌:芯朋微
型号:AP2952AS8PRG
封装:SOP8-PP
功率:4.75V-18V
电流:2A
型号:AP2952AS8PRG
封装:SOP8-PP
功率:4.75V-18V
电流:2A
订购热线:0755-23087599
AP2952A是一款单片同步整流降压稳压器,它集成了导通阻抗130mΩ的MOSFET,可以在很宽的输入电压范围(4.75V-18V)内提供2A的负载能力。电流模式控制使其具有很好的瞬态响应和单周期内的限流功能。可调的软启动时间能避免开启瞬间的冲击电流,在停机模式下,输入电流小于1uA。
AP2952A 2A, 18V 同步整流降压转换器封装为SOP8-PP,同时提供了紧凑的系统方案,可以最大限度的减少外围元件。
AP2952芯片特性
■ 2A输出电流
■ 输入电压范围4.75V到18V
■ 内部集成130mΩ的功率MOSFET
■ 输出可调范围为0.925V到15V
■ 效率可达95%
■ 可调软启动时间
■ 外围使用低ESR瓷片电容可保证其稳定工作
■ 固定的450kHz工作频率
■ 每个周期内都有限流功能
■ 具有欠压保护功能
■ 散热能力较强的SOP8-PP封装
封装引脚描述

| 引脚序号 | 引脚名称 | 引脚描述 |
| 1 | BS | 上管栅极驱动升压输入。BS为上管N沟道MOSFET开关提供驱动。从SW到BS端连接一个0.01uF或更大的电容。 |
|
2 |
IN |
电源输入。为IC以及降压转换器开关提供输入电源。在4.75V至18V的电压范围驱动IN。通过一个适当的大电容旁路IN到地,以消除输入IC的噪声。 |
| 3 | SW | 功率开关输出。SW为开关节点提供电源输出。从SW端到输出负载连接输出LC滤波器。请注意,从SW到BS需要接一个电容。 |
| 4 | GND | 电源地(连接裸露焊盘到4引脚)。 |
| 5 | FB | 反馈输入端。FB感应输出电压来调节这个电压。通过来自输出电压的一个电阻分压器驱动FB。反馈阈值电压是0.925V。 |
|
6 |
COMP |
补偿节点。COMP用来补偿调节控制回路。从COMP脚到GND连接一个RC网络来补偿调节控制回路。在某些情况下,从COMP到GND之间必须接一个额外的电容。 |
|
7 |
EN |
使能输入端。EN为数字输入,打开或关闭调节器。驱动EN端变高打开调节器,驱动它变低关闭调节器,自动启动时需加100 kΩ上拉电阻。 |
|
8 |
SS |
软启动控制输入。SS控制软启动时间。从SS到GND连接一个电容,用来设置软启动时间。一个0.1μF电容设置软启动时间为15mS。要禁用软启动功能,就不连接SS。 |
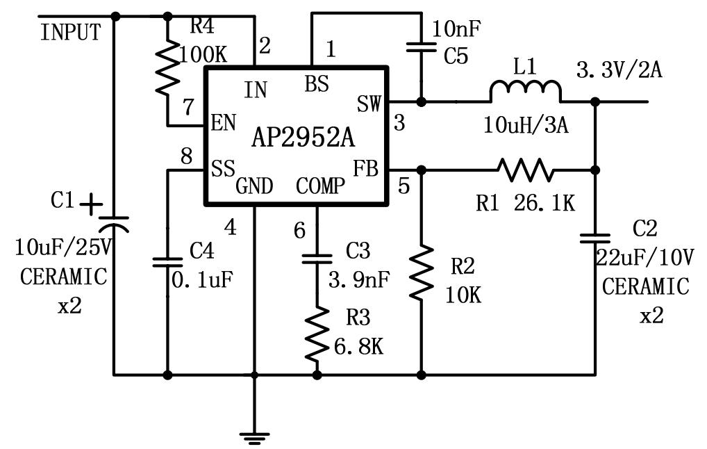
典型应用电路图

应用领域
■ 分立式电源系统
■ 网络系统
■ FPGA, DSP, ASIC电源
■ 绿色电子产品
■ 笔记本电脑
AP2952A是一款同步整流,电流模式,降压稳压器。它调节从 4.75V到 18V的输入电压下的输出电压可以低至0.925V,供应最大负载电流为 2A,更多AP2952芯片2A, 18V 同步整流降压转换器,产品手册、电气特性等资料请向我们申请。>>
关注骊微
收藏骊微










