推荐产品
联系我们
维多利亚vic008
电话:0755-23087599
手机:13808858392
邮箱:dunianhua@leweitech.com
地址:深圳市宝安区西乡鹤洲恒丰工业城B11栋5楼东
ID7T0610AD 60V三相直流无刷驱动芯片带LDO
所属分类:芯朋电机驱动芯片
品牌:芯朋微/安趋
型号:ID7T0610AD
封装:QSOP24
功率:60V
电流:1A/1A
型号:ID7T0610AD
封装:QSOP24
功率:60V
电流:1A/1A
订购热线:0755-23087599
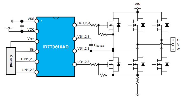
ID7T0610AD是一款针对三相无刷直流电机驱动应用而设计的低压栅极驱动芯片。ID7T0610AD三相直流无刷驱动芯片它能够驱动由6个N沟道MOSFET组成的三相全桥拓扑。它集成了一个5V的LDO,可为微控制器或其他电路提供电源。内部保护功能包括死区时间过冲预防和欠压锁定。
ID7T0610AD三相直流无刷驱动芯片特性
■ 高压范围达60V
■ 高侧击穿电压大于80V
■ Vcc电压范围为7V-15V
■ 5V LDO输出
■ 欠压保护功能(UVLO)
■ 内置180ns死区时间来防止共态导通
■ 内置自举二极管
■ 输出拉灌电流能力1A/1A
封装订购信息

ID7T0610AD带ldo驱动ic典型应用电路图

应用领域
■ 电动工具
■ 低压水泵
■ 低压风机
■ 三相无刷直流电机和永磁同步电机
ID7T0610AD 三相直流无刷驱动芯片是具有LDO的三相栅极驱动芯片,输入功率电压高达 60V,7-15V 宽范围工作电压范围,1A/1A 拉灌电流能力。典型应用于电动工具、电动车、低压风机和泵等领域,更多ID7T0610AD无刷电机驱动芯片60v产品手册、电学参数等资料请向足彩竞彩单场
申请。>>
关注骊微
收藏骊微










