推荐产品
联系我们
维多利亚vic008
电话:0755-23087599
手机:13808858392
邮箱:dunianhua@leweitech.com
地址:深圳市宝安区西乡鹤洲恒丰工业城B11栋5楼东
CR6249 是一款高性能原边检测控制的 PWM 开关,待机功耗小于 75mW。CR6249内部采用了多模式控制的效率均衡技术,用于优化芯片系统待机功耗和提升效率,同时采用了初级电感量补偿技术和内部集成的输出线电压补偿技术,保证了芯片在批量生产过程中CC/CV 输出精度,内置的全电压功率自适应补偿技术保证了系统在全电压范围(90V~264V)内输出恒定的功率。
CR6249 18W原边芯片集成了多种功能和保护特性,包括欠压锁定(UVLO),VDD 过压保护(OVP),软启动,过温保护(OTP),逐周期电流限制(OCP),CS 引脚悬空保护,输出短路保护,内置前沿消隐电路,使得芯片具有更高的可靠性。
主要特点
■ 待机低于75mW
■ 原边检测拓扑结构,无需光耦和TL431
■ 全电压范围内高精度恒压和恒流输出
■ 可编程CC/CV模式控制
■ 采用多模式控制的效率均衡技术
■ 内置输出线电压补偿功能
■ 内置初级电感量偏差补偿功能
■ 内置全电压功率自适应补偿功能
■ 动态负载响应功能
■ 内置过温度保护功能
■ 内置CS开路保护功能
■ 内置输出短路保护功能
■ 内置前沿消隐
■ 启动电流和工作电流低
■ VDD端过压保护和钳位保护
■ 逐周期过流保护
■ DIP-8L、SOP-7L绿色封装
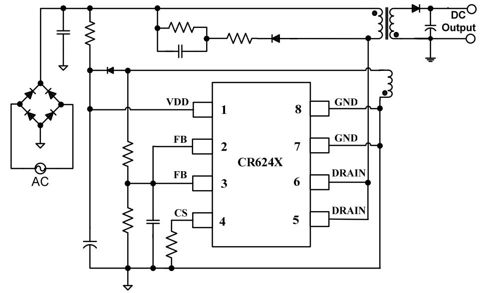
引脚功能及描述

| 引脚 | 符号 | 描述 |
| 1 | VDD | IC 供电引脚。该引脚为芯片的正常工作提供电压。 |
| 2/3 | FB | 辅助绕组电压反馈输入端,通过一个电阻分压器连接到反射输出电压的辅助绕组上。 |
| 4 | CS | CS 电阻引脚,用于初级峰值电流检测。 |
| 5/6 | DRAIN | HV MOSFET 漏端引脚。 |
| 7/8 | GND | 地线引脚。 |
典型应用电路图

应用领域
■ 小功率电源适配器
■ 蜂窝电话充电器
■ 数码相机充电器
■ 电脑和服务器辅助电源
■ 替代线性调整器和RCC
CR6249功率≤18W,采用原边控制方式,不需要 TL431 和光耦,是高精度CC/CV原边检测PWM开关,更多CR6249 18W原边芯片产品手册、应用资料请向足彩竞彩单场
申请。>>
关注骊微
收藏骊微










