推荐产品
联系我们
维多利亚vic008
电话:0755-23087599
手机:13808858392
邮箱:dunianhua@leweitech.com
地址:深圳市宝安区西乡鹤洲恒丰工业城B11栋5楼东
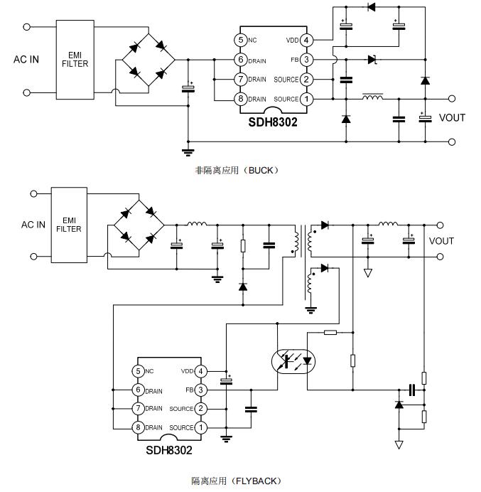
SDH8302开关电源芯片195~265V典型输出功率,适配器:10W、开放式:13W;85~265V典型输出,适配器:5W、开放式:8W,sdh8302可兼容PIN脚代换8012/vip22等,被广泛应用于离线式开关电源、非隔离升压降压转换器、小家电等领域。
SDH8302 是用于开关电源的内置高压 MOSFET 的电流模式 PWM 控制器。
SDH8302 内置高压启动电路。在轻载下会进入打嗝模式,从而有效地降低系统的待机功耗。具有降频功能,进一步优化轻载条件下的转换效率。具有抖频功能,能够改善 EMI 特性。具有软启动功能,能够减小器件的应力,防止变压器饱和。有 VDD 打嗝功能,不仅防止 VDD 欠压重启,也有效地降低待机功耗。
SDH8302 内部还集成了各种异常状态的保护功能,包括:VDD 欠压保护,VDD 过压保护,前沿消隐,输出短路保护,过流保护,过温保护等。且保护后,电路会不断自动重启,直到系统正常为止。
SDH8302芯片主要特点
■ 高压启动
■ 轻载打嗝
■ 降频
■ 抖频
■ 软启动
■ VDD 打嗝
■ VDD 欠压保护
■ VDD 过压保护
■ 前沿消隐
■ 输出短路保护
■ 过流保护
■ 过温保护
sdh8302引脚功能


典型应用电路图

应用领域
■ 离线式开关电源
■ 非隔离升压降压转换器
■ 小家电
SDH8302电磁炉开关电源芯片是电流模式PWM控制器,采用DIP-8封装,可PIN脚代换AP8012H,SDH8302S采用SOP封装,可以PIN脚替代VIPER12A/AP8012H ,更多SDH8302相关隔离模式与非隔离模式的应用说明书及sdh8302代换8012,sdh8302代换vip22应用资料,请向士兰微代理足彩竞彩单场
申请。>>
关注骊微
收藏骊微









