TM1650/AIP1650替换芯片GN1650共阴极八段数码管驱动
字号:T|T
GN1650采用DIP16封装是2线串口共阴极八段数码管驱动芯片,内置时钟振荡电路及上电复位电路,提供8段×4位显示模式,8级亮度控制,支持3V-5.V电源电压、键盘扫描7×4bit及4个组合按键,可以直接代换兼容天微TM1650及中微AIP1650。
GN1650共阴极八段数码管驱动芯片引脚排列图

电路通信端口采用了类似于1C的通信方式,微处理器的数据通过两线总线接口和电路通信在输入数据时,电路在CLK的上升沿锁存数据,故当CLK是高电平时,DO上的信号必须保持不变只有CLK上的时钟信号为低电平时,DO上的信号才能改变,且DO不能在CLK的下降沿改变。数据输入的开始条件是当CLK为高电平时,DO由高变低:结束条件是当CLK为高时,DIO由低电平变为高电平。
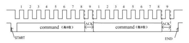
电路的数据传输带有应答信号ACK,在传输数据的过程中,在时钟线的第九个时钟芯片内部会产生一个应答信号ACK将DO管脚拉低。无论是命令写入或者是数据写入读出时,在一个8位字节后的第9位都是ACK信号输出。

指令传输为16位格式,指令数据传输过程如上图所示。数据和命令在传输时,先传送高位,再传送低位,CLK上升沿锁存数据,DO不能在CLK为高电平时变化,也不要在CLK下降沿变化,而是在CLK为低电平时改变。
tm1650替换芯片GN1650典型应用线路图

tm1650/AIP1650替换芯片GN1650共阴极八段数码管驱动芯片内部集成有MCU输入输出控制数字接口、数据锁存器、LED驱动、键盘扫描、辉度调节等电路,性能稳定、质量可靠、抗干扰能力强,可适应于24小时长期连续工作的应用场合,更多GN1650替换天微TM1650及中微AIP1650芯片电特性、功能介绍及详细手册请向足彩竞彩单场
申请。>>
同类文章排行
- 电源芯片sdh8302s可PIN脚代换VIPER12A/AP80
- ap8022代换viper22a可兼容,不改PCB及外围
- 什么是MOS管的雪崩及mos管雪崩击穿原理!
- 常用dc-dc降压芯片推荐
- 国产体育彩票竞彩 有哪些?
- IR4427替换芯片ID1127双低侧、大电流驱动,
- sdh8303代换viper22a/AP8012H,PIN脚兼容无
- PN555L内置690V小功率非隔离芯片可替PN8008
- 开关电源原边反馈(PSR)技术深度解析!
- 开关电源同步整流芯片工作原理
关注骊微
收藏骊微

